1.问题的提出
截至目前,CRH6F型动车组共发生4起因高压保护装置保险丝熔断导致的网压中断故障,均发生在石长线过分相期间。熔断保险丝均在CI网压检测回路,与列车号、升弓车、具体分相区无明显关系。具体故障统计如下。
2.高压保护装置原理分析
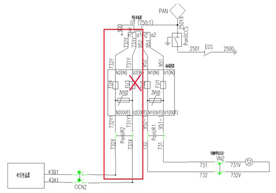
(1)高压保护装置结构
CRH6F型动车组高压保护装置为南京志卓电子科技有限公司生产ZZBH-001型高压保护装置。
高压保护装置包含2组线路,每组线路中U、N线各串联一只快速熔断器,且U、N间并联一只压敏电阻,电路原理图如下图所示。

图1 正常工作时电流
压敏电阻抑制浪涌电压的基本原理是:当压敏电阻两端电压低于其阈值时,流过它的电流相当小,此时压敏电阻阻值无穷大,相当于一个处于断开状态的开关。当压敏电阻两端电压高于其阈值时,流过它的电流激增,此时压敏电阻阻值无穷小,相当于一个处于闭合状态的开关,进而减小过电压对后级敏感电路的影响。此时电流方向如下图所示。

图2 网压异常时电流
此时流过保险丝的电流也会激增乃至熔断,从而达到保护后级电路的作用。同时,也可起到保护网压互感器次边短路的作用。

图3 压敏电阻特性曲线
保险丝FU1-FU4,常用型号为:PV-3A10F 1000V或SWE690-3A,其特性曲线如图1所示,当电流越大时其熔断时间越短。压敏电阻型号是TV
R20511,其特性曲线如图4所示。

图4 FU保险特性曲线
(2)网压检测原理
网压互感器工作时,一次侧接被测高压电路,二次侧经高压保护装置接至网压表及牵引变流器采集电路。如上图所示,网压互感器二次侧的输出端731Y、732Y经高压保护装置的保险丝FU3和FU4接至牵引变流器采集电路并上报网络,951、952经高压保护装置的保险丝FU1和FU2接至司机室网压表。
3.高压保护装置保险熔断故障原因分析

图5 网压检测电气原理图
通过故障统计分析,4起因高压保护装置保险丝熔断导致网压中断故障均发生在石长线过分相期间,且熔断保险丝均在CI网压检测回路。为进一步分析故障原因,对动车组在石长线及长株潭城际线运行时过分相期间网压互感器二次侧回路电压电流情况进行测试。
(1)石长线测试
2018年5月18日上午,CRH6F-0432在石长线长沙-常德间运行。本次测试分两种工况进行。
工况1:去除网压表侧压敏电阻,在升弓车测试732Y与731Y间电压(CH1)、952与951间电压(CH2)、732Y电流(CH3)、731Y电流(CH4)、952电流(CH5)。

图6 石长线工况1测试原理图
在进入无电区时,测试数据分析发现,有无压敏电阻时两网压互感器二次侧绕组电压趋势均相同,峰值为420V,CI支路压敏电阻前后电流基本相等,峰值为9A左右,网压表一路电流为20mA,无明显变化趋势。各测点波形如下图所示。(见图7)


图7 石长线工况1测试波形图
工况2:在非升弓车测量732Y与731Y间电压(CH1)、952与951间电压(CH2)、CI一路压敏电阻上电流(CH3),此时网压互感器二次侧未带负载。

图8 石长线工况2测试原理图
进入无电区时,测试数据分析发现网压互感器二次侧电压波形趋势及幅值与升弓车基本相同,压敏电阻上电流始终无明显波动,有效值为30mA左右。各测点波形图如下图所示。(见图9)

图9 石长线工况2测试波形图
完整过分相波形图:以石长线第一个过分相为例,过分相完整波形如下图所示。

图10 石长线完整过分相波形图
从列车进入无电区到驶出无电区约4.6S,列车速度约70km/h,本无电区全长约90m。进入无电区时波形放大如下图所示。

图11 进入无电区时波形放大图
T0时刻网压波形开始出现畸变,T1时刻接触网无电,从网压波形畸变(T0)至进入无电区(T1)间经过约200ms,车辆运行约4m。列车驶出无电区时波形放大如下图所示。

图12 列车驶出无电区时波形放大
T2时刻接触网开始有电,T3时刻网压波形恢复正常。T2至T3间约70ms,车辆运行约1.3m。
以下为同时期DRWTD数据。
接触网无电时刻(T1)约为7:51:05:400,接触网有电时刻(T2)为7:51:10:0,期间约4.6秒,与示波器波形吻合。VCB断开时刻约7:50:53:600,相当于在进入无电区(T1)前约12sVCB已断开。
(2)长株潭城际测试
2018年5月19日上午,CRH6F-0433在长株潭城际线路长沙西--株洲南间运行。本次测试对相同工况进行测试。
工况1(同石长线工况1):


图13 列车过分相期间DRWTD数据
在进入无电区时,测试数据分析发现,网压互感器二次侧电压趋势与石长线基本相同,但峰值为245V,比石长线峰值小180V左右;CI支路压敏电阻前后电流基本相等,其趋势与石长线相同,但峰值为6.3A左右,比石长线峰值小2.5A左右;网压表一路电流为20mA,无明显变化趋势,与石长线相同。各测点波形如下图所示。(见图14)

图14 长株潭城际工况1测试波形图
工况2(同石长线工况2):
由于交路较短,未测量到分相区波形。在正常运营时,压敏电阻上电流同石长线,均较小,可忽略不计。
工况3:在HMI屏远程切除非升弓车受电弓,在非升弓车测试电压电流波形,测点同工况2。测试数据分析发现,受电弓切除后,在网压互感器二次侧仍能测到有效值为15V左右的正弦波,过分相时电压波形无明显变化;压敏电阻上电流较小,可忽略。各测点波形如下图所示。

图15 长株潭城际工况3测试波形图
(3)高压保护装置保险熔断故障原因分析
根据石长线及长株潭城际线运行时过分相期间网压互感器二次侧回路电压电流实车测试及前期故障统计分析。每次列车进入无电区时,网压互感器二次侧CI支路均会产生冲击电流,冲击电流产生的原因初步分析为接触网有电到无电瞬间,支路中的电感元器件产生反向电动势。此冲击电流周期性产生,对保险丝的寿命造成影响,最终使保险丝熔断。
进入无电区时,石长线因运行货物列车,其网压较长株潭城际设定值要高,长株潭网压峰值及CI支路冲击电流值均比石长线小,因此高压保护装置保险丝熔断均发生在石长线交路。
4.高压保护装置优化与验证
通过线路测试及故障统计分析,判断为动车组进入无电区时,从有电到无电过程中,网压互感器及牵引变流器网压采集电路中电感元件产生反向电动势,网压互感器二次侧电压波动较大,电路上存在冲击电流,导致网压互感器次边电流较大,造成保险丝熔断。
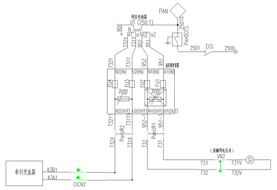
为减少CI支路网压互感器二次侧绕组所带负载,从而起到减小流经保险丝电流的目的,对网压互感器二次侧接线进行优化。修改示意图如下所示。
在5、7车LJB1中将接到组合配电柜的731X、732X改接到731、732接线柱上,绝缘层做备用处理。接线修改如下图所示。
(1)优化后试验

图16 网压互感器二次侧接线修改示意图

图17 LJB1接线修改示意图
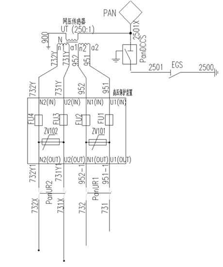
由于施工时间限制,2018年7月27日仅对CRH6F-0432的07车LJB箱接线进行修改,修改后拓扑图变化如下所示。

图18 修改后拓扑图
(2)试验数据分析
2018年7月28日,CRH6F- 0432在石长线运行,测试CI支路、网压表支路电流及网压波形。

图19 优化接线后测试波形图1
测试732Y线、731Y线间电压、732Y(原带4个CI,现带3个CI)线、952(原带2个网压表,现带2个网压表和1个CI)线上电流。
在测试过程中找到过分相电流冲击波形最大时网压及732Y线电流波形:

图20 优化接线后测试波形图2
上图中冲击电流最大值为6.19A。优化前732Y线上带4个变流器时,最大冲击电流为9A,优化后相比减小约2.8A。
在测试过程中找到过分相电流冲击波形最大时网压及952线电流波形:
上图中冲击电流最大值为3.12A,优化前952线上基本无冲击电流,优化后相比增大约3.1A。
5.结论
综合优化接线前后线路测试波形及数据,优化接线后CI支路电流趋势不变,但冲击电流幅值减小约2.8A。优化接线前网压表支路基本无冲击电流,优化后出现与CI支路趋势相似的冲击电流。因此可以判断网压检测回路冲击电流的产生主要与牵引变流器网压采集电路有关。通过优化高压保护装置接线,减少CI支路网压互感器二次侧绕组所带负载,可以有效减小流经原CI支路的电流,避免高压保护装置保险丝因过分相冲击电流过大而熔断。
责编/马铭阳